Sign In | Join Free | My benadorassociates.com
China Shenzhen Merrytek Technology Co., Ltd. logo
Shenzhen Merrytek Technology Co., Ltd.
Shenzhen Merrytek Technology Co., Ltd Intelligent Lighting Control
Verified Supplier

11 Years

Home > DALI2.0 Dimmable LED Driver >

50W 700ma to 140ma programmable DALI2 & PUSH & 0-10V dimmable led power driver for LED panel

Shenzhen Merrytek Technology Co., Ltd.
Trust Seal
Verified Supplier
Credit Check
Supplier Assessment
Contact Now

50W 700ma to 140ma programmable DALI2 & PUSH & 0-10V dimmable led power driver for LED panel

Brand Name : Merrytek

Model Number : KL50C-PDiiV2

Certification : CE

Place of Origin : China

MOQ : 100

Price : Negotiation

Payment Terms : T/T or PayPal

Supply Ability : 10,000pcs per month

Delivery Time : 1, Sample and small order: Within 5 working days after receiving your payment. 2, Bulk order: 3-4 weeks after receiving deposit.

Packaging Details : White box + Carton, 50pcs/CTN

Rated Input Voltage : 220-240Vac 50Hz /60Hz

DC Input Voltage range : 200-240Vdc

Operating mode : Constant Current

Control Method : DALI2 & PUSH & 0-10V dimmable led power driver

Power factor : ≥0.95

Efficiency : 86%

Current : 700-1400mA

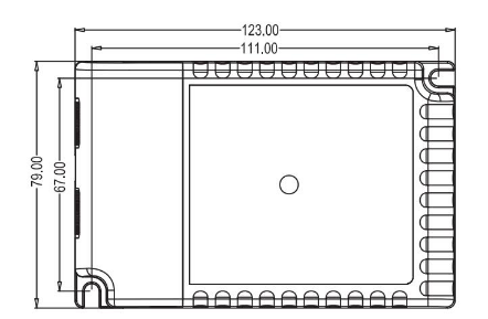
Dimension : 123x79x24mm

IP rating : IP20

Warranty : 5 years

Contact Now

50W 700ma to 140ma programmable DALI2 & PUSH & 0-10V dimmable led power driver for LED panel

1. Description

-Flicker-free for the whole dimming range

-Primary dimming with push button

-Secondary dimming with 1-10V dimmer and potentiometer

-Stand-by power below 0.5W

-Built-in DALI interface DT6

-Supports 10V PWM dimming (3KHz-8KHz)

-Protection: short circuit / over temperature/ over voltage

-Derating the current for high ambient temperature

-5-year warranty

2. Parameters

Input Operating Voltage 198-264VAC 50Hz /60Hz
Rated Input Voltage 220-240VAC 50Hz /60Hz
DC Input Voltage range 200-240VDC
Input Cuttent 0.28A Max.
Input Inrush Current <15A (Half current pulse width 100US) @230VAC
Power Factor ≥0.95 @230VAC (Full load)
Total harmonic distortion Typical: 13% (@230Vac, 100% load)
Stand-by Power ≤0.5W(@230Vac when PUSH or DALIturn off)
Efficiency 86%Max. @230VAC (Full load)
Wiring Method Push terminal, wire cross section:0.75-1.5mm2

Automatic circuit breaker

(Calculate current in the wire)

type B10 B13 B16 B20 B25 /
Number 20 25 30 40 50 /
type C10 C13 C16 C20 C25 C32
Number 28 40 45 55 70 90
Output Operating mode Constant Current
Load type LED
Flickering / Flickering-Free Flicker value: less than 2% for the whole dimming range
Start-up time <1s (@230Vac)
No-load output voltage 68VDC Max.
Load output voltage range 9-58VDC
Full load output power 50W Max.
Load output current 700~1400mA : For details<Current gear setting>
Constant current/voltage Precision Constant Current Precision ±5%
Wiring method

Push terminal, wire cross section:0.75-1.5mm2

Control Method Primary PUSH Dimming Primary PUSH dimming (Max.lead length:20M)
1-10V Dimming 1-10V dimming(Port current<1MA)
(Max.lead length:20M)
Dimming Range Primary PUSH & DALI dimming: 0%-100%
1-10V dimming:2%-100%
Primary PWM Dimming 1-10V port PWM dimming (3KHZ-8KHZ)
Potentiometer Yes, 100kΩ
DALI Dimming DALI dimming (Max.lead length:300M)
Exception Protection Requirements Output over temperature
protection
Yes, without a self-recovery function(Can be inquired)
Output short circuit protection Yes, without a self-recovery function(Can be inquired)

Operating

Environment

Operating temperature/ humidity -25℃~50℃ Humidity:85% (Non-condensing)
Storage temperature/ humidity -40℃~80℃, Humidity:10%–95%
Max. case temp(Tc) 85℃

Safety

& EMC

EMC standard EN55015 EN61547 EN61000-3-2 EN61000-3-3
DALI protocol standard IEC62386-102 IEC62386-207 DT6
Safety standard EN61347-1 EN61347-2-13
Certification ENEC SEMKO CB CE
Withstand voltage 3750Vac, 5mA, 60s (Input “L N”- Output “SEC”)
Others Degrees of protection IP20
Type of protection Class II
Installation type Independent installation
Installation dimension 123*79*24mm
Blackout memory function Yes, PUSH blackout memory
PUSH dimming synchronization

Parallel: 15 units Max.

Series: 25 units Max.

Packaging requirement white box+ Instructions Clapboard Outer Carton(K=A)
Weight 210g
Life 5 years guarantee @Ta full load
Note: All parameters are tested at the input voltage of 230VAC and a 25-degree environment unless specified.

3. Dimension (Unit: mm)

50W 700ma to 140ma programmable DALI2 & PUSH & 0-10V dimmable led power driver for LED panel50W 700ma to 140ma programmable DALI2 & PUSH & 0-10V dimmable led power driver for LED panel

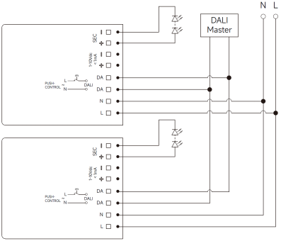
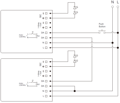
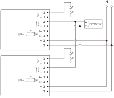
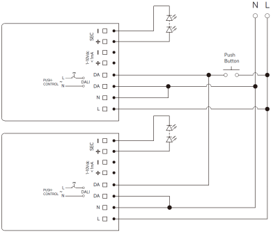
4. Wiring Diagram

50W 700ma to 140ma programmable DALI2 & PUSH & 0-10V dimmable led power driver for LED panel

Fig. A DALI Dimming

50W 700ma to 140ma programmable DALI2 & PUSH & 0-10V dimmable led power driver for LED panel50W 700ma to 140ma programmable DALI2 & PUSH & 0-10V dimmable led power driver for LED panel

Fig.B Push Dimming

50W 700ma to 140ma programmable DALI2 & PUSH & 0-10V dimmable led power driver for LED panel

Fig. C 1-10V Dimming

5. Derating

50W 700ma to 140ma programmable DALI2 & PUSH & 0-10V dimmable led power driver for LED panel

6. Dimming curve

50W 700ma to 140ma programmable DALI2 & PUSH & 0-10V dimmable led power driver for LED panel

7. Current gear setting

Current(mA) DIP Pomax(W) Uout(V)
1 2 3 4 5
700 - - - - - 40.6 9~ 58
750 ON - - - - 43.5 9~ 58
800 - ON - - - 46.4 9~ 58
850 - - ON - - 49.3 9~ 58
900 - - - ON - 52.2 9~ 58
950 - ON ON - - 50.4 9~ 53
1000 ON ON ON - - 50.0 9~ 50
1050 ON ON - ON - 50.4 9~ 48
1100 ON - ON ON - 49.5 9~ 45
1150 - ON ON ON - 49.5 9~ 43
1200 - ON - ON ON 50.4 9~ 42
1250 ON ON - ON ON 50.0 9~ 40
1300 ON - ON ON ON 49.4 9~ 38
1350 - ON ON ON ON 50.0 9~ 37
1400 ON ON ON ON ON 50.4 9~ 36

8. ON/OFF & Description of Dimming Operation

A. Short-press the PUSH switch (short-press time 0.1S-1S), the LED driver will turn on or off.

B. Dimming: Press and hold the PUSH switch (1S-8S), the LED driver can achieve dimming, brightening, or dimming, the dimming range is 2-100%.

C. Memory: PUSH dimming has a dimming memory function.

D. Dimming synchronization: The power connected to the same PUSH switch can be synchronized by pressing and holding the PUSH switch for longer than 15 seconds.

E. DALI dimming mode: Connect the power supply to the DALI system, and it can be dimmed by the DALI host. The dimming range is 0-100%.

9. Matters needing Attention

1) The LED string must be connected to the load before turning on the input power; otherwise, the LED string may be damaged.

2) After the LED drive input is powered off, there will be a residual voltage at the output, which can be maintained for about 3 minutes.


Quality 50W 700ma to 140ma programmable DALI2 &amp; PUSH &amp; 0-10V dimmable led power driver for LED panel for sale

50W 700ma to 140ma programmable DALI2 & PUSH & 0-10V dimmable led power driver for LED panel Images

Inquiry Cart 0
Send your message to this supplier
 
*From:
*To: Shenzhen Merrytek Technology Co., Ltd.
*Subject:
*Message:
Characters Remaining: (0/3000)